Grapas Intermedias Peygran 15 mm Negras para Aplacado de Fachada | Con Taco y Tornillo Inox | Caja 100 Uds.
- Grapas intermedias negras de 15 mm para fijación mecánica visible en aplacados de fachada.
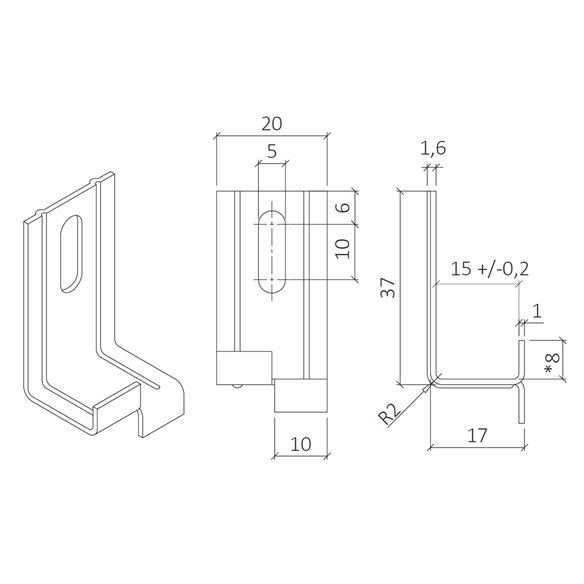
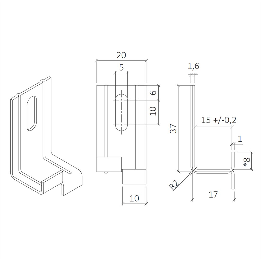
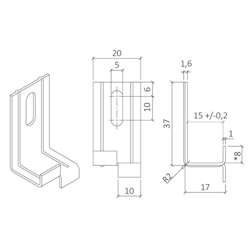
- Medidas de 40 x 17 mm para una fijación precisa y estable.
- Aptas para cerámica, piedra y fachadas ventiladas gracias a su profundidad de 15 mm.
- Incluyen taco y tornillo inoxidable y cumplen UNE-EN 10088-2.
¿Por qué comprar en Radikal Tools?
Entrega en 24/48h laborables
Stock real. Envío urgente disponible
Garantia Oficial del Fabricante
Las grapas intermedias Peygran negras de 15 mm están diseñadas para la fijación mecánica visible de piezas cerámicas o de piedra en sistemas de aplacado de fachada. Su acabado en color negro permite una integración visual más discreta en determinados proyectos, manteniendo una fijación segura y estable.
Gracias a su profundidad útil de 15 mm, son adecuadas para aplicaciones en fachadas ventiladas. Están fabricadas en acero inoxidable AISI 316 y se suministran con taco y tornillo inoxidable, ofreciendo una solución completa y resistente para aplicaciones constructivas conforme a la norma UNE-EN 10088-2.
Características técnicas
| Tipo de producto | Grapa intermedia para aplacado de fachada |
| Color | Negro |
| Dimensiones | 40 x 17 mm |
| Profundidad útil | 15 mm |
| Material | Acero inoxidable AISI 316 |
| Tipo de instalación | Visible |
| Normativa | UNE-EN 10088-2 |
| Accesorios incluidos | Taco y tornillo inoxidable |
| Presentación | Caja de 100 unidades |
Beneficios del producto
- Fijación visible y segura para revestimientos de fachada.
- Acabado negro para una integración visual más discreta.
- Apta para fachadas ventiladas gracias a su profundidad de 15 mm.
- Montaje completo con taco y tornillo incluidos.
Accesorios suministrados
- Grapa intermedia Peygran negra de 15 mm.
- Tornillo de acero inoxidable.
- Taco de fijación.
Seguridad
Utilice siempre los EPI adecuados durante la instalación y compruebe la correcta fijación de cada grapa antes de continuar el montaje. Respete las indicaciones del sistema de fachada y la compatibilidad con el espesor y material de la pieza utilizada.
Garantía
Todos los productos cuentan con 3 años de garantía para particulares y 1 año para uso profesional. Consúltenos en caso de duda.



